|
|
|
 | |
| Rotational Speed Sensor Type, Optical probe for measurements of rotational speed |
FUA9192
Rotational Speed Sensor Type

¡Ü Optical probe for
measurements of rotational speed,
designed as retroreflective photoelectric sensor for
photoelectric detection of rotational speeds or events.
¡Ü For evaluation
of the pulses, the tachometer probe is
equipped with a specific frequency meter module that
calculates the number of revolutions per minute from the time period between
two pulses. A stable read-out is achieved by averaging over a minimum of
500 ms.
¡Ü Easy application:
A reflective adhesive tape is attached to the moving part and the probe
is aligned with it. For function control purposes a yellow signal lamp at
the rear side of the probe will be on when the reflective adhesive tape
is recognised.
¡Ü To increase
the operation reliability the sensitivity
can be adjusted through a potentiometer.
Note:
| 1. |
Further accessories for measuring rotational
speeds
ALMEMO¢ç adapter cables for frequency, pulses and rotational speed |
| 2. |
Measurement of the rotational speed of a current
meter disc |
| Types: |
| FUA9192 |
For rotational speeds up to 30000rpm
max.,incl. 5 reflective adhesive tapes
Connecting cable 2m long with ALMEMO¢ç connector |
Accessories:
| ZA9060VK1 |
Extension cable, 1 meter long |
| ZA9060VK2 |
Extension cable, 2 meters long |
|
| Technical Data: |
| Measuring range: |
8 to 30000rpm (maximum) |
| Bright-up pulse time: |
> 1ms |
| Resolution: |
1rpm |
| Accuracy: |
up to 15000rpm:
¡¾ 0.02% of m.v. ¡¾ 1 digit
up to 30000rpm:
¡¾ 0.05% of m.v. ¡¾ 1 digit |
| Detection range: |
20 to 200mm
(depending on the reflector) |
| Sensitivity: |
adjustable with
potentiometers |
| Detectable object: |
opaque or reflector |
| Distance hysteresis: |
¡Â 10% |
| Indication of switching status: |
LED yellow |
| Type of light: |
red light 660nm |
| Limit for foreign light: |
sun light: ¡Â 20000lux
halogen light: ¡Â 5000lux |
| Ambient/storage temperature: |
-25/-40¡ÆC to +55/+70¡ÆC |
| Protection system: |
IP 67 (accord. to EN 60529) |
| Optics: |
2-lens system PC |
| Permissible shock load: |
b ¡Â 30g, T ¡Â 1ms |
| Permissible vibrational load: |
f ¡Â 55Hz, a ¡Â 1mm |
| No-load current: |
¡Â 20mA |
| Supply voltage: |
> 8.5VDC via instrument,
mains adapter recommended |
| Material: |
housing: brass, nickel plated,
lens opening: PMMA |
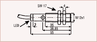
| Dimensions: |
diameter: M12 x 1mm,
length: 55mm |
| Weight: |
15g |
| Meets standards: |
EN 60 947-5-2 |
|
| |
|
|
 | |
 |
| ¹øÈ£ |
Á¦¸ñ |
ÀÛ¼ºÀÚ |
ÀÛ¼ºÀÏ |
Æò°¡Á¡¼ö |
|
 |
|
ÀÌ »óǰ¿¡ ´ëÇÑ »ç¿ëÈıⰡ ¾ÆÁ÷ ¾ø½À´Ï´Ù.
»ç¿ëÈı⸦ ÀÛ¼ºÇØ ÁÖ½Ã¸é ´Ù¸¥ ºÐµé²² ¸¹Àº µµ¿òÀÌ µË´Ï´Ù. |
|
 |
|
 |
|
|
 | |
 |
| ¹øÈ£ |
Á¦¸ñ |
ÀÛ¼ºÀÚ |
ÀÛ¼ºÀÏ |
´äº¯ |
|
 |
|
ÀÌ »óǰ¿¡ ´ëÇÑ Áú¹®ÀÌ ¾ÆÁ÷ ¾ø½À´Ï´Ù.
±Ã±ÝÇϽŠ»çÇ×Àº À̰÷¿¡ Áú¹®ÇÏ¿© ÁֽʽÿÀ. |
|
 |
|
 |
|
|
 | |
|
ÀÌ »óǰ°ú °ü·ÃµÈ »óǰÀÌ ¾ø½À´Ï´Ù. | |
|
|
|
|