
¡Ü Wire strain gauges
in four-conductor full-bridge circuit.
¡Ü Control resistance
for final adjustment of the measuring
range.
¡Ü All measuring
ranges that are specified in Newton can also be supplied in kg ranges.
Options for all Force Transducers:
| OK9000K |
Indication of measured values with
ALMEMO¢ç devices in kg |
| OK9000NK |
Indication of measured values with
ALMEMO¢ç devices in N and kg |
Accessories:
| ZB902512 |
Knuckle eyes with
external thread M 12 (2 pcs)
(dimensions in mm: D = M 12, E = 16,
F = 32, G = 12, L = 54) |
| ZB902524 |
Knuckle eyes with
external thread M 24 x 2 (2 pcs)
(dimensions in mm: D = M 24 x 2, E = 26,
F = 62, G = 25, L = 94) |
|
| Technical Data: |
| Max. load limit: |
150% of final value |
| Maximum dynamic load: |
70% of final value |
| Reference temperature: |
23¡ÆC |
| Cable: |
3m long, with axial
ALMEMO¢ç connector |
| Accuracy for tension: |
<¡¾0.1% of fin. val. |
| Accuracy for tension and compression:
<¡¾0.2% of fin. val. |
| Nominal measuring path: |
<0.15mm |
| Operative range: |
-10 to +70¡ÆC |
| Drift error at permanent load: |
<0.07% per 30min |
| Permissible lateral forces: |
¡¾60% of fin. val. |
| Protection system: |
up to 1kN: IP 65,
from 2kN: IP 67 |
| Material: |
up to 1kN: aluminium
2 to 50kN: stainless |
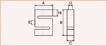
| Dimensions in mm |
up to 10kN:
A=50, B=75, C=20, D=M12
20kN, 50kN:
A=65, B=85,
C=40, D=M24 x2 |
| Types: |
| FKA0251 |
Measuring range 0.02kN 0.05kN, 0.1kN,
0.2kN, 0.5kN, 1kN, 2kN, 5kN or 10kN
please specify |
| FKA0252 |
Measuring range 20kN |
| FKA0255 |
Measuring range 50kN |
¢Æ All
ALMEMO¢ç devices provide easy push-button
adjustment of no-load and final value.
|