|
|
|
 | |
| Compact pressure sensors for industrial applications in liquid and gaseous substances. |
FDA602L Pressure
Transducer Type

¡Ü Compact pressure
sensors for industrial applications
in liquid and gaseous substances.
¡Ü Piezo-resistive,
flexibly suspended silicone measuring cell in an oil-filled, all-welded
special steel enclosure.
¡Ü The stable
mechanical construction provides a reliable
protection for the measuring cell against the test
substance and immunes it against pressure peaks and vibrations.
¡Ü Available
with three calibrations.
Relative pressure: pressure related to the environmental press.
Absolute pressure: pressure related to vacuum (0 bar)
Overpressure: pressure related to atm. pressure at
manufacturing (approx. 1bar).
Accessories:
ZB9060K(L) Longer cable,
please specify length (L)
| Types: |
| including ALMEMO¢ç cable 1.5m long |
| Measuring ranges relative pressure: |
| FDA602L3R |
up to 2.5 bar |
| FDA602L5R |
up to 10 bar |
| Measuring ranges absolute pressure: |
| FDA602L4A |
up to 5 bar |
| FDA602L5A |
up to 10 bar |
| Measuring ranges excess pressure: |
| FDA602L2U |
up to 25 bar |
| FDA602L3U |
up to 50 bar |
| FDA602L4U |
up to 100 bar |
|
| Technical Data: |
| Overload : |
1.3 times the final value |
| Output signal: |
0.2 ¡¦ 2.2V |
| Response time: |
< 2ms |
Category of accuracy: ¡¾1%
of final value
(linearity + hysteresis
+ reproducibility) |
| Linearity: |
0.5% max. |
Total error range*:
+18 ¡¦ +22¡ÆC: 1%
max. / 0.5% typ.
0 ¡¦ +18 / +22 ¡¦ +50¡ÆC: 2%
max. / 1% typ.
-20 ¡¦ 0 / +50 ¡¦ +80¡ÆC: 4%
max. / 2.5% typ.
* including linearity, hysteresis, zero point and sensitivity,
temperature effects, reproducibility |
| Nominal conditions: |
22¡ÆC ¡¾ 2K, 10 to 90% rH
non-condensing |
| Power supply: |
6 to 15VDC, <4 mA |
| Housing: |
<25 bar: special steel 1.4301
>25 bar: special steel 1.4571 |
| Pressure sensor membrane: |
special steel 1.4435 |
| Operating temperature: |
-20 to +80¡ÆC |
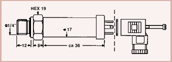
| Fitting: |
ext. thread G1/4¡±, membrane
not flush with front |
| Pressure medium: |
compatible with stainless steel |
| Weight: |
75g |
| Electromagn. compatibility: |
CE marked: test acc. to IEC
801.2 and 802.2 |
| Protection system: |
IP 65 |
| Insulation: |
> 100M§Ù / 50VDC |
| Insulation test: |
1 minute at 500VDC |
|
| |
|
|
 | |
 |
| ¹øÈ£ |
Á¦¸ñ |
ÀÛ¼ºÀÚ |
ÀÛ¼ºÀÏ |
Æò°¡Á¡¼ö |
|
 |
|
ÀÌ »óǰ¿¡ ´ëÇÑ »ç¿ëÈıⰡ ¾ÆÁ÷ ¾ø½À´Ï´Ù.
»ç¿ëÈı⸦ ÀÛ¼ºÇØ ÁÖ½Ã¸é ´Ù¸¥ ºÐµé²² ¸¹Àº µµ¿òÀÌ µË´Ï´Ù. |
|
 |
|
 |
|
|
 | |
 |
| ¹øÈ£ |
Á¦¸ñ |
ÀÛ¼ºÀÚ |
ÀÛ¼ºÀÏ |
´äº¯ |
|
 |
|
ÀÌ »óǰ¿¡ ´ëÇÑ Áú¹®ÀÌ ¾ÆÁ÷ ¾ø½À´Ï´Ù.
±Ã±ÝÇϽŠ»çÇ×Àº À̰÷¿¡ Áú¹®ÇÏ¿© ÁֽʽÿÀ. |
|
 |
|
 |
|
|
 | |
|
ÀÌ »óǰ°ú °ü·ÃµÈ »óǰÀÌ ¾ø½À´Ï´Ù. | |
|
|
|
|